首页
关于我们
返回
公司简介
品质保障
服务中心
产品中心
返回
AT系列
BASE系列
EE EI系列
EEL EEM系列
EF系列
EFD系列
ET ETD系列
EP EPI EPC EPX系列
ER ED系列
EQ系列
PJ PQ POT系列
RM RQ系列
SQ SRV系列
UU 底座 侧插类
品质保障
服务中心
新闻中心
返回
公司新闻
行业新闻
常见问题
联系我们
首页
关于我们
产品中心
返回
AT系列
BASE系列
EE EI系列
EEL EEM系列
EF系列
EFD系列
ET ETD系列
EP EPI EPC EPX系列
ER ED系列
EQ系列
PJ PQ POT系列
RM RQ系列
SQ SRV系列
UU 底座 侧插类
品质保障
服务中心
新闻中心
返回
公司新闻
行业新闻
常见问题
联系我们
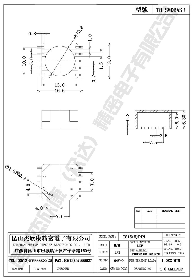
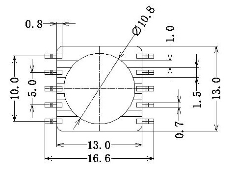
T8 SMDBASE
产品中心
AT系列
BASE系列
EE EI系列
EEL EEM系列
EF系列
EFD系列
ET ETD系列
EP EPI EPC EPX系列
ER ED系列
EQ系列
PJ PQ POT系列
RM RQ系列
SQ SRV系列
UU 底座 侧插类
T8 SMDBASE
产品中心
>
UU 底座 侧插类
>
T8 SMDBASE
T8 SMDBASE
1
上一个:
T10底座
下一个:
EIR-3011